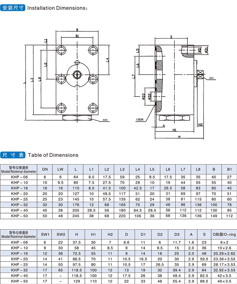
進口高壓板式球閥專為高壓工況(可達69 MPa)設計,采用板式連接結構(螺栓固定),適用于液壓系統、石油天然氣輸送、化工裝置等高壓力場景12。其核心功能是通過旋轉球體實現介質(液體或氣體)的快速截斷或流量調節,適配溫度范圍-29℃至425℃,滿足ANSI Class 150-2500壓力等級需求
產品特點
閥體采用高強度合金鋼、不銹鋼或鍛鋼材質,耐壓等級達Class 2500(42 MPa),部分型號通過有限元分析優化結構,極限工況穩定性強
密封性能卓越
金屬密封彈簧預緊設計(如Inconel 625堆焊)或PTFE軟密封,泄漏率≤ANSI Class VI標準,支持雙向密封且無需考慮安裝方向
操作便捷性
手動操作扭矩較閘閥降低50%,電動/氣動執行器響應時間≤1秒,配備限位銷與手柄指示槽,操作精度高
結構優化設計
全通徑流道減少壓損,浮動式球體設計實現自清潔功能,沖刷密封面雜質,延長使用壽命
緊湊板式結構減少安裝空間需求,適配集成化液壓設備35。
